產品概述
全襯四氟隔膜閥是一種特殊形式的具有截斷功能的閥門,其啟閉件由鋼質閥瓣與軟質材料(橡膠和氟塑料復合)制成的隔膜組成,并將閥體內腔隔開以達到截斷管內介質之目的。
結構特點
1、彈性密封的開閉件,確保沒有內漏;
2、流線型的流道,使得壓力損失小;
3、沒有填料函,因此沒有外漏;
4、閥體與蓋被中間隔膜隔開,使得隔膜上方的閥蓋,閥桿零件不受介質侵蝕;
5、隔膜可更換,維護費用低;
6、襯氟材料的多樣性,可適用于各種介質,并具有良好的耐腐蝕性。
主要零件材質
| 序號 | 零件名稱 | 灰鑄鐵 | 鑄鋼 | 不銹耐酸鑄鋼 | 超低碳不銹耐酸鑄鋼 | ||
| Z | C | P | R | PL | RL | ||
| 1 | 閥體/閥蓋 | HT250 | WCB | CF8 | CF8M | CF3 | CF3M |
| 2 | 閥瓣/閥桿 | 25 | 2Cr13 | 1Cr18Ni9 | 1Cr18Ni12Mo2Ti | 00Cr18Ni10 | 00Cr17Ni14Mo2 |
| 3 | 襯里/閥座 | PCTEF(F3),FEP(F46),PFA(可溶F4),PP,PO | |||||
| 4 | 隔膜 | FEP(F46)/CR(氯丁橡膠)PFA(可溶F4)/FPDM(乙丙橡膠) | |||||
| 5 | 支架 | PTFE(F4) | CF8 | CF8 | |||
| 6 | 閥桿螺母 | ZCuAl10Fe3 | ZCuAl10Fe3 | ZCuAl10Fe3 | |||
| 7 | 緊固螺栓 | 35 | 1Cr17Ni2 | 1Cr18Ni9Ti | |||
| 8 | 螺母 | 45 | 0Cr18Ni9 | 0Cr18Ni9 | |||
| 9 | 手輪 | WCB | WCB | WCB | |||

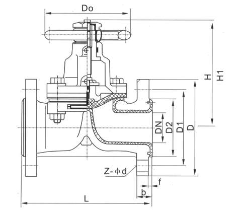
主要連接尺寸
公稱通徑 | L | D | D1 | D2 | f | b | Z-φd | D | D1 | D2 | f | b | Z-φd | |
DN(mm) | NPS(inch) | PN1.0MPa | PN1.6MPa | |||||||||||
15 | 1/2 | 125 | 80 | 55 | 40 | 2 | 12 | 4-φ12 | 95 | 65 | 45 | 2 | 14 | 4-φ14 |
20 | 3/4 | 135 | 90 | 65 | 50 | 2 | 14 | 4-φ12 | 105 | 75 | 55 | 2 | 16 | 4-φ14 |
25 | 1 | 145 | 100 | 75 | 60 | 2 | 14 | 4-φ12 | 115 | 85 | 65 | 2 | 16 | 4-φ14 |
32 | 1-1/4 | 160 | 120 | 90 | 70 | 2 | 16 | 4-φ14 | 135 | 100 | 78 | 2 | 18 | 4-φ18 |
40 | 1-1/2 | 180 | 130 | 100 | 80 | 3 | 16 | 4-φ14 | 145 | 110 | 85 | 3 | 18 | 4-φ18 |
50 | 2 | 210 | 140 | 110 | 90 | 3 | 16 | 4-φ14 | 160 | 125 | 100 | 3 | 20 | 4-φ18 |
65 | 2-1/2 | 250 | 160 | 130 | 110 | 3 | 16 | 4-φ14 | 180 | 145 | 120 | 3 | 20 | 4-φ18 |
80 | 3 | 300 | 185 | 150 | 125 | 3 | 18 | 4-φ18 | 195 | 160 | 135 | 3 | 22 | 4-φ18 |
100 | 4 | 350 | 205 | 170 | 145 | 3 | 18 | 4-φ18 | 215 | 180 | 155 | 3 | 22 | 8-φ18 |
125 | 5 | 400 | 235 | 200 | 175 | 3 | 20 | 8-φ18 | 245 | 210 | 185 | 3 | 24 | 8-φ18 |
150 | 6 | 460 | 260 | 225 | 200 | 3 | 20 | 8-φ18 | 280 | 240 | 210 | 3 | 24 | 8-φ23 |
200 | 8 | 570 | 315 | 280 | 255 | 3 | 22 | 8-φ18 | 335 | 295 | 265 | 3 | 26 | 8-φ23 |
250 | 10 | 680 | 370 | 335 | 310 | 3 | 24 | 12-φ28 | 390 | 350 | 320 | 3 | 28 | 12-φ23 |
300 | 12 | 790 | 435 | 395 | 362 | 4 | 24 | 12-φ23 | 440 | 400 | 368 | 4 | 28 | 12-φ23 |