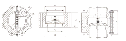
產品概述
凸耳對夾雙瓣式止回閥用于管路系統中。該閥流道通暢阻力小,動作靈敏,密封性能好。其主要作用是防止介質倒流、防止泵及其驅動電動機反轉,以及容器內介質的泄放。所以被廣泛應用于化工、醫藥、食品、市政水力等行業。該閥安裝位置不受限制,通常安裝于水平管路上,但也可以安裝于垂直管路或傾斜管路上。
產品特點
1、凸耳對夾雙瓣式止回閥主要由閥體、閥瓣、閥桿及彈簧等結構組成。
2、由于閥體的結構短、重量輕,閥瓣關閉行程短關閉迅速,減少水錘水擊等特點。
3、閥瓣為半圓雙瓣結構,可繞閥體內的轉軸旋轉,轉軸的軸線必須和閥體密封面在一個平面上,保證關閉時達到密封。
4、連接方式采用了對夾凸耳結構,可使閥體外形更加美觀、體積小、重量輕。

主要連接尺寸及重量
| 壓力級 | 口徑DN | 尺寸(mm) | 重量 (kg) | 配管法蘭(供參考) | |||||||||||||||
| NPS | DN | L | D1 | D2 | D3 | D4 | P | 螺孔 數量 | 螺孔直徑d1 | n | 螺栓 數量 | 螺栓直徑d | 螺栓長度L1 | ||||||
| RF | RJ | in | mm | in | mm | RF | RJ | ||||||||||||
| Class 150 PN2.0MPa | 2 | 50 | 60 | 120.5 | 92 | 102 | 51 | 56 | 82.55 | 4 | 3/4 | 19 | 1.6 | 4 | 4 | 5/8 | M16 | 140 | 155 |
| 2 1/2 | 65 | 67 | 139.5 | 105 | 121 | 65 | 73 | 101.6 | 4 | 3/4 | 19 | 1.6 | 5.5 | 4 | 5/8 | M16 | 150 | 165 | |
| 3 | 80 | 73 | 152.5 | 127 | 133 | 80 | 88 | 114.3 | 4 | 3/4 | 19 | 1.6 | 7 | 4 | 5/8 | M16 | 160 | 175 | |
| 4 | 100 | 73 | 190.5 | 157 | 171 | 102 | 108 | 149.225 | 8 | 3/4 | 19 | 1.6 | 11 | 8 | 5/8 | M16 | 170 | 185 | |
| 5 | 125 | 86 | 216 | 186 | 194 | 127 | 132 | 171.45 | 8 | 7/8 | 22 | 1.6 | 15 | 8 | 3/4 | M20 | 190 | 205 | |
| 6 | 150 | 98 | 241.5 | 216 | 219 | 152 | 160 | 193.675 | 8 | 7/8 | 22 | 1.6 | 19 | 8 | 3/4 | M20 | 205 | 220 | |
| 8 | 200 | 127 | 298.5 | 270 | 273 | 203 | 210 | 247.65 | 8 | 7/8 | 22 | 1.6 | 36 | 8 | 3/4 | M20 | 240 | 255 | |
| 10 | 250 | 146 | 362 | 324 | 330 | 254 | 266 | 304.801 | 12 | 1 | 25 | 1.6 | 61 | 12 | 7/8 | M24 | 270 | 285 | |
| 12 | 300 | 181 | 432 | 381 | 406 | 305 | 310 | 381.001 | 12 | 1 | 25 | 1.6 | 119 | 12 | 7/8 | M24 | 310 | 325 | |
| 14 | 350 | 184 | 476 | 413 | 425 | 350 | 355 | 396.876 | 12 | 1 1/8 | 29 | 1.6 | 131 | 12 | 1 | M27 | 325 | 340 | |
| 16 | 400 | 191 | 540 | 470 | 483 | 400 | 405 | 454.026 | 16 | 1 1/8 | 29 | 1.6 | 180 | 16 | 1 | M27 | 340 | 355 | |
| 18 | 450 | 203 | 578 | 533 | 546 | 450 | 455 | 517.526 | 16 | 1 1/4 | 32 | 1.6 | 203 | 16 | 1 1/8 | M30 | 365 | 380 | |
| 20 | 500 | 219 | 638 | 584 | 597 | 500 | 505 | 558.801 | 20 | 1 1/4 | 32 | 1.6 | 275 | 20 | 1 1/8 | M30 | 385 | 400 | |
| 24 | 600 | 222 | 749.5 | 692 | 711 | 600 | 605 | 673.101 | 20 | 1 1/4 | 35 | 1.6 | 314 | 20 | 1 1/4 | M33 | 405 | 420 | |
| 28 | 700 | 305 | 795.5 | 762 | - | 700 | 700 | - | 40 | 7/8 | 22 | 1.6 | 910 | 40 | 3/4 | M20 | 455 | - | |
| 30 | 750 | 305 | 846 | 813 | - | 746 | 750 | - | 44 | 7/8 | 22 | 1.6 | 1025 | 44 | 3/4 | M20 | 455 | - | |
| 32 | 800 | 305 | 900 | 864 | - | 796 | 800 | - | 48 | 7/8 | 22 | 1.6 | 1344 | 48 | 3/4 | M20 | 460 | - | |
| 36 | 900 | 368 | 1009.5 | 972 | - | 898 | 910 | - | 44 | 1 | 25 | 1.6 | 1536 | 44 | 7/8 | M24 | 540 | - | |
| 42 | 1050 | 432 | 1171.5 | 1130 | - | 1050 | 1055 | - | 48 | 1 1/8 | 29 | 1.6 | 2310 | 48 | 1 | M27 | 625 | - | |
| 48 | 1200 | 524 | 1335 | 1289 | - | 1200 | 1205 | - | 44 | 1 1/4 | 32 | 1.6 | 3364 | 44 | 1 1/8 | M30 | 740 | - | |
主要連接尺寸及重量
| 壓力級 | 口徑DN | 尺寸(mm) | 重量 (kg) | 配管法蘭(供參考) | |||||||||||||||
| NPS | DN | L | D1 | D2 | D3 | D4 | P | 螺孔 數量 | 螺孔直徑d1 | n | 螺栓數量 | 螺栓直徑d | 螺栓長度L1 | ||||||
| RF | RJ | in | mm | in | mm | RF | RJ | ||||||||||||
| Class 300 PN5.0MPa | 2 | 50 | 60 | 127 | 92 | 108 | 51 | 58 | 82.55 | 8 | 3/4 | 19 | 1.6 | 6 | 8 | 5/8 | M16 | 155 | 175 |
| 2 1/2 | 65 | 67 | 149 | 105 | 127 | 65 | 73 | 101.6 | 8 | 7/8 | 22 | 1.6 | 7 | 8 | 3/4 | M20 | 175 | 195 | |
| 3 | 80 | 73 | 168.5 | 127 | 146 | 80 | 88 | 123.825 | 8 | 7/8 | 22 | 1.6 | 10 | 8 | 3/4 | M20 | 190 | 210 | |
| 4 | 100 | 73 | 200 | 157 | 175 | 102 | 108 | 149.225 | 8 | 7/8 | 22 | 1.6 | 16 | 8 | 3/4 | M20 | 195 | 215 | |
| 5 | 125 | 86 | 235 | 186 | 210 | 127 | 132 | 171.45 | 8 | 7/8 | 22 | 1.6 | 29 | 8 | 3/4 | M20 | 215 | 235 | |
| 6 | 150 | 98 | 270 | 216 | 241 | 152 | 160 | 211.138 | 12 | 7/8 | 22 | 1.6 | 32 | 12 | 3/4 | M20 | 230 | 250 | |
| 8 | 200 | 127 | 330 | 270 | 302 | 203 | 210 | 269.876 | 12 | 1 | 25 | 1.6 | 55 | 12 | 7/8 | M24 | 280 | 300 | |
| 10 | 250 | 146 | 387.5 | 324 | 356 | 254 | 266 | 323.851 | 16 | 1 1/8 | 29 | 1.6 | 82 | 16 | 1 | M27 | 315 | 335 | |
| 12 | 300 | 181 | 451 | 381 | 413 | 305 | 310 | 381.001 | 16 | 1 1/4 | 32 | 1.6 | 92 | 16 | 1 1/8 | M30 | 365 | 385 | |
| 14 | 350 | 222 | 514.5 | 413 | 457 | 350 | 355 | 419.101 | 20 | 1 1/4 | 32 | 1.6 | 251 | 20 | 1 1/8 | M30 | 410 | 430 | |
| 16 | 400 | 232 | 571.5 | 470 | 508 | 400 | 405 | 469.901 | 20 | 1 3/8 | 35 | 1.6 | 342 | 20 | 1 1/4 | M33 | 435 | 455 | |
| 18 | 450 | 264 | 628.5 | 533 | 575 | 450 | 455 | 533.401 | 24 | 1 3/8 | 35 | 1.6 | 391 | 24 | 1 1/1 | M33 | 475 | 495 | |
| 20 | 500 | 292 | 686 | 584 | 635 | 500 | 505 | 584.201 | 24 | 1 3/8 | 35 | 1.6 | 536 | 24 | 1 1/4 | M33 | 510 | 535 | |
| 24 | 600 | 318 | 813 | 692 | 749 | 600 | 608 | 692.151 | 24 | 1 5/8 | 41 | 1.6 | 833 | 24 | 1 1/2 | M39 | 560 | 585 | |
| 30 | 750 | 368 | 921 | 845 | - | 735 | 7400 | - | 36 | 1 1/2 | 38 | 1.6 | 1395 | 36 | 1 3/8 | M36 | 650 | - | |
| 36 | 900 | 483 | 1089 | 1010 | - | 873 | 880 | - | 32 | 1 3/4 | 45 | 1.6 | 182 | 32 | 1 5/8 | M42 | 800 | - | |
| 42 | 1050 | 568 | 1245 | 1168 | - | 1035 | 1045 | - | 36 | 1 7/8 | 48 | 1.6 | 3861 | 36 | 1 3/4 | M45 | 920 | - | |
| 48 | 1200 | 629 | 1416 | 1327 | - | 1179 | 1190 | - | 40 | 2 | 51 | 1.6 | 4370 | 40 | 1 7/8 | M48 | 1010 | - | |
| Class 600 PN11.0MPa | 2 | 50 | 60 | 127 | 92 | 108 | 51 | 58 | 82.55 | 8 | 3/4 | 19 | 6.4 | 6.5 | 8 | 5/8 | M16 | 175 | 180 |
| 2 1/2 | 65 | 67 | 149 | 100 | 127 | 65 | 73 | 101.6 | 8 | 7/8 | 22 | 6.4 | 8 | 8 | 3/4 | M20 | 195 | 200 | |
| 3 | 80 | 73 | 168 | 127 | 146 | 80 | 88 | 123.825 | 8 | 7/8 | 22 | 6.4 | 10 | 8 | 3/4 | M20 | 210 | 215 | |
| 4 | 100 | 79 | 216 | 157 | 175 | 102 | 108 | 149.225 | 8 | 1 | 25 | 6.4 | 21 | 8 | 7/8 | M24 | 235 | 240 | |
| 5 | 125 | 105 | 266.5 | 186 | 210 | 127 | 136 | 180.975 | 8 | 1 1/8 | 29 | 6.4 | 24 | 8 | 1 | M27 | 280 | 285 | |
| 6 | 150 | 136 | 292 | 216 | 241 | 152 | 162 | 211.138 | 12 | 1 1/8 | 29 | 6.4 | 57 | 12 | 1 | M27 | 320 | 325 | |
| 8 | 200 | 165 | 349 | 270 | 302 | 200 | 212 | 269.876 | 12 | 1 1/4 | 32 | 6.4 | 94 | 12 | 1 1/8 | M30 | 370 | 375 | |
| 10 | 250 | 213 | 432 | 324 | 356 | 250 | 266 | 323.851 | 16 | 1 3/8 | 35 | 6.4 | 164 | 16 | 1 1/4 | M33 | 440 | 445 | |
| 12 | 300 | 229 | 489 | 381 | 413 | 305 | 312 | 381.001 | 20 | 1 3/8 | 35 | 6.4 | 213 | 20 | 1 1/4 | M33 | 460 | 465 | |
| 14 | 350 | 273 | 527 | 413 | 457 | 337 | 355 | 419.101 | 20 | 1 1/2 | 38 | 6.4 | 343 | 20 | 1 3/8 | M36 | 520 | 525 | |
| 16 | 400 | 305 | 603 | 470 | 508 | 387 | 400 | 469.901 | 20 | 1 5/8 | 41 | 6.4 | 476 | 20 | 1 1/2 | M39 | 575 | 580 | |
| 18 | 450 | 362 | 654 | 533 | 575 | 438 | 450 | 533.401 | 20 | 1 3/4 | 44 | 6.4 | 685 | 20 | 1 5/8 | M42 | 650 | 655 | |
| 20 | 500 | 368 | 724 | 584 | 635 | 489 | 500 | 584.201 | 24 | 1 3/4 | 44 | 6.4 | 908 | 24 | 1 5/8 | M42 | 670 | 680 | |
| 24 | 600 | 438 | 838 | 692 | 749 | 591 | 600 | 692.151 | 24 | 2 | 52 | 6.4 | 1088 | 24 | 1 7/8 | M48 | 780 | 790 | |
主要連接尺寸及重量
| 壓力級 | 口徑DN | 尺寸(mm) | 重量 (kg) | 配管法蘭(供參考) | |||||||||||||||
| NPS | DN | L | D1 | D2 | D3 | D4 | P | 螺孔 數量 | 螺孔直徑d1 | n | 螺栓 數量 | 螺栓直徑d | 螺栓長度L1 | ||||||
| RF | RJ | in | mm | in | mm | RF | RJ | ||||||||||||
| Class 900 PN15.0MPa | 2 | 50 | 70 | 165.1 | 92 | 124 | 51 | 58 | 95.25 | 8 | 2 | 26 | 6.4 | 13 | 8 | 7/8 | M24 | 225 | 230 |
| 2 1/2 | 65 | 83 | 190.5 | 105 | 137 | 65 | 73 | 107.95 | 8 | 1 1/8 | 29 | 6.4 | 18 | 8 | 1 | M27 | 250 | 255 | |
| 3 | 80 | 83 | 190.5 | 127 | 156 | 80 | 90 | 123.82 | 8 | 1 | 26 | 6.4 | 21 | 8 | 7/8 | M24 | 240 | 245 | |
| 4 | 100 | 102 | 234.9 | 157 | 181 | 102 | 108 | 149.22 | 8 | 1 1/4 | 32 | 6.4 | 36 | 8 | 1 1/8 | M30 | 285 | 290 | |
| 5 | 125 | 110 | 279.4 | 186 | 216 | 127 | 136 | 180.98 | 8 | 1 3/8 | 35 | 6.4 | 65 | 8 | 1 1/4 | M33 | 310 | 315 | |
| 6 | 1500 | 159 | 317.5 | 216 | 241 | 150 | 162 | 211.12 | 12 | 1 1/4 | 32 | 6.4 | 82 | 12 | 1 1/8 | M30 | 365 | 370 | |
| 8 | 200 | 203 | 393.7 | 270 | 308 | 200 | 212 | 269.88 | 12 | 1 1/2 | 39 | 6.4 | 174 | 12 | 1 3/8 | M36 | 440 | 445 | |
| 10 | 250 | 241 | 469.9 | 324 | 362 | 250 | 266 | 323.85 | 16 | 1 1/2 | 39 | 6.4 | 264 | 16 | 1 3/8 | M36 | 490 | 495 | |
| 12 | 300 | 292 | 533.4 | 381 | 416 | 305 | 312 | 381 | 20 | 1 1/2 | 39 | 6.4 | 211 | 20 | 1 3/8 | M36 | 560 | 565 | |
| 14 | 350 | 356 | 558.8 | 413 | 467 | 337 | 355 | 419.1 | 20 | 1 5/8 | 42 | 6.4 | 612 | 20 | 1 1/2 | M39 | 645 | 655 | |
| 16 | 400 | 384 | 615.9 | 470 | 524 | 387 | 400 | 469.9 | 20 | 1 3/4 | 45 | 6.4 | 712 | 20 | 1 5/8 | M42 | 685 | 695 | |
| 18 | 450 | 451 | 685.8 | 533 | 594 | 438 | 450 | 533.4 | 20 | 2 | 51 | 6.4 | 1160 | 20 | 1 7/8 | M48 | 790 | 805 | |
| 20 | 500 | 451 | 749.3 | 584 | 648 | 487 | 496 | 584.2 | 20 | 2 1/8 | 54 | 6.4 | 1568 | 20 | 2 | M52 | 810 | 925 | |
| 24 | 600 | 495 | 901.7 | 692 | 772 | 591 | 600 | 692.158 | 20 | 2 5/8 | 67 | 6.4 | 1881 | 20 | 2 1/2 | M64 | 945 | 965 | |
| Class1500 PN26.0MPa | 2 | 50 | 70 | 165.1 | 92 | 124 | 51 | 58 | 95.25 | 8 | 1 | 26 | 6.4 | 14 | 8 | 7/8 | M24 | 225 | 230 |
| 2 1/2 | 65 | 83 | 190.5 | 100 | 137 | 65 | 73 | 107.95 | 8 | 1 1/8 | 29 | 6.4 | 19 | 8 | 1 | M27 | 250 | 255 | |
| 3 | 80 | 83 | 203.2 | 125 | 168 | 80 | 90 | 136.52 | 8 | 1 1/4 | 32 | 6.4 | 25 | 8 | 1 1/8 | M30 | 270 | 2758 | |
| 4 | 100 | 102 | 241.3 | 157 | 194 | 102 | 108 | 161.92 | 8 | 1 3/8 | 35 | 6.4 | 43 | 8 | 1 1/4 | M33 | 310 | 315 | |
| 5 | 125 | 110 | 292.1 | 186 | 229 | 127 | 136 | 193.68 | 8 | 1 5/8 | 42 | 6.4 | 72 | 8 | 1 1/5 | M39 | 370 | 375 | |
| 6 | 150 | 159 | 317.5 | 216 | 248 | 150 | 162 | 211.12 | 12 | 1 1/2 | 39 | 6.4 | 101 | 12 | 1 3/8 | M36 | 430 | 440 | |
| 8 | 200 | 206 | 3963.7 | 270 | 318 | 200 | 212 | 269.8 | 12 | 1 3/4 | 45 | 6.4 | 240 | 12 | 1 5/8 | M42 | 510 | 520 | |
| 10 | 250 | 248 | 482.6 | 324 | 371 | 254 | 266 | 323.85 | 12 | 2 | 51 | 6.4 | 306 | 12 | 1 7/8 | M48 | 600 | 610 | |
| 12 | 300 | 305 | 581.5 | 381 | 438 | 305 | 312 | 381 | 16 | 2 1/8 | 54 | 6.4 | 541 | 16 | 2 | M52 | 695 | 715 | |
| 14 | 350 | 356 | 635 | 413 | 489 | 337 | 355 | 419.1 | 16 | 2 3/8 | 61 | 6.4 | 932 | 16 | 2 1/4 | M56 | 775 | 800 | |
| 16 | 400 | 384 | 704.8 | 470 | 546 | 387 | 387 | 469.9 | 16 | 2 5/8 | 67 | 6.4 | 980 | 16 | 2 1/2 | M64 | 850 | 880 | |
| Class2500 PN26.0MPa | 2 | 50 | 70 | 171.4 | 92 | 133 | 42 | 42 | 101.6 | 8 | 1 1/8 | 29 | 6.4 | 19 | 8 | 1 | M27 | 225 | 260 |
| 2 1/2 | 65 | 83 | 196.8 | 105 | 149 | 52 | 52 | 111.12 | 8 | 1 1/4 | 32 | 6.4 | 31 | 8 | 1 1/8 | M30 | 290 | 305 | |
| 3 | 80 | 86 | 228.6 | 127 | 168 | 62 | 62 | 127 | 8 | 1 3/8 | 35 | 6.4 | 388 | 8 | 1 1/4 | M33 | 320 | 330 | |
| 4 | 100 | 105 | 273 | 157 | 203 | 88 | 88 | 157.18 | 8 | 1 5/8 | 42 | 6.4 | 69 | 8 | 1 1/2 | M39 | 370 | 380 | |
| 5 | 125 | 110 | 323.8 | 186 | 241 | 100 | 100 | 190.5 | 8 | 1 7/8 | 48 | 6.4 | 135 | 8 | 1 3/4 | M45 | 420 | 435 | |
| 6 | 150 | 159 | 368.3 | 216 | 279 | 150 | 150 | 228.6 | 8 | 2 1/8 | 54 | 6.4 | 184 | 8 | 2 | M52 | 515 | 530 | |
| 8 | 200 | 206 | 438.1 | 270 | 340 | 180 | 180 | 279.4 | 12 | 2 1/8 | 54 | 6.4 | 380 | 12 | 2 | M52 | 600 | 620 | |
| 10 | 250 | 254 | 539.7 | 324 | 425 | 225 | 225 | 342.9 | 12 | 2 5/8 | 67 | 6.4 | 489 | 12 | 2 1/2 | M64 | 750 | 775 | |
| 12 | 300 | 305 | 619.1 | 381 | 495 | 266 | 266 | 406.4 | 12 | 2 7/8 | 74 | 6.4 | 747 | 12 | 2 3/4 | M70 | 855 | 885 | |